Главная / ИНТЕРНЕТ-МАГАЗИН / Подшипники / Направляющие ролики, опорные ролики, ролики с цапфой / Направляющие ролики / LFR50/8-6-2Z
LFR50/8-6-2Z
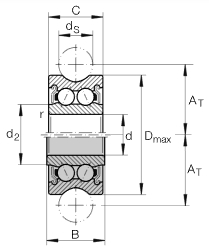
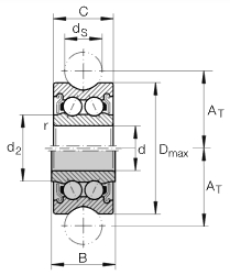
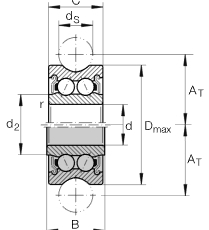
Направляющий ролик LFR50/8-6-2Z
Внутренний диаметр, d: 8.00
Внешний диаметр, D: 24.00
Высота / Ширина, h(B): 11
Остаток: 0
Бренд: INA
--
нет в наличии
Вы недавно смотрели
