Главная / ИНТЕРНЕТ-МАГАЗИН / Подшипники / Роликовые/игольчатые подшипники / Роликовые двухрядные сферические подшипники / 24036CC/C3W33
24036CC/C3W33
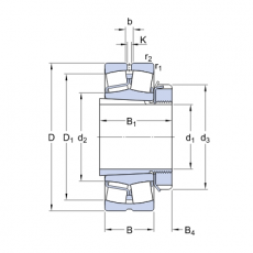
Подшипник 24036CC/C3W33 (SKF)
Внутренний диаметр, d: 180.00
Внешний диаметр, D: 280.00
Высота / Ширина, h(B): 100
Остаток: 0
Бренд: SKF
--
----
Вы недавно смотрели




