Главная / ИНТЕРНЕТ-МАГАЗИН / Подшипники / Подшипники скольжения и шарнирные головки / Втулки скольжения / EGB1008-E40
EGB1008-E40
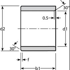
Втулка EGB1008-E40
Внутренний диаметр, d: 10.00
Внешний диаметр, D: 12.00
Высота / Ширина, h(B): 8
Остаток: 0
Бренд: INA
--
----
Вы недавно смотрели

