Главная / ИНТЕРНЕТ-МАГАЗИН / Подшипники / Подшипники скольжения и шарнирные головки / Втулки скольжения / EGB0304-E40
EGB0304-E40
Втулка EGB0304-E40
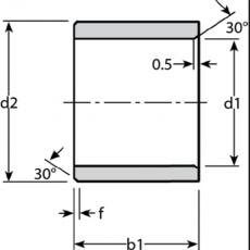
Внутренний диаметр, d: 3.00
Внешний диаметр, D: 4.50
Высота / Ширина, h(B): 4
Остаток: 0
Бренд: INA
--
----
Вы недавно смотрели


