Главная / ИНТЕРНЕТ-МАГАЗИН / Подшипники / Шариковые подшипники / Шариковые однорядные радиально-упорные подшипники / 926722
926722
Подшипник 926722
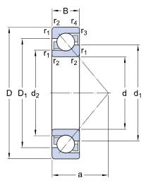
Внутренний диаметр, d: 110.00
Внешний диаметр, D: 175.00
Высота / Ширина, h(B): 30
Остаток: 0
Бренд: ГПЗ-18
--
----
Вы недавно смотрели


