Главная / ИНТЕРНЕТ-МАГАЗИН / Подшипники / Шариковые подшипники / Шариковые двухрядные сферические подшипники / 11218
11218
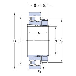
Подшипник 11218
Внутренний диаметр, d: 90.00
Внешний диаметр, D: 180.00
Высота / Ширина, h(B): 34
Остаток: 0
Бренд: КИТАЙ
--
----
Вы недавно смотрели

