Главная / ИНТЕРНЕТ-МАГАЗИН / Подшипники / Шариковые подшипники / Шариковые двухрядные сферические подшипники / 11217Л
11217Л
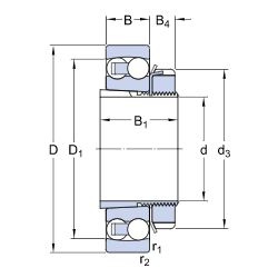
Подшипник 11217Л
Внутренний диаметр, d: 95.00
Внешний диаметр, D: 170.00
Высота / Ширина, h(B): 32
Остаток: 0
Бренд: РОССИЯ
--
----
Вы недавно смотрели



