Главная / ИНТЕРНЕТ-МАГАЗИН / Подшипники / Направляющие ролики, опорные ролики, ролики с цапфой / Направляющие ролики / LR5306NPPU
LR5306NPPU
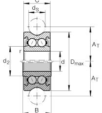
Подшипник LR5306-NPPU
Внутренний диаметр, d: 30.00
Внешний диаметр, D: 80.00
Высота / Ширина, h(B): 30.2
Остаток: 0
Бренд: NBS
--
----
Вы недавно смотрели



