Главная / ИНТЕРНЕТ-МАГАЗИН / Подшипники / Направляющие ролики, опорные ролики, ролики с цапфой / Направляющие ролики / LFR5201-2Z
LFR5201-2Z
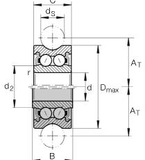
Подшипник LFR5201-2Z
Внутренний диаметр, d: 12.00
Внешний диаметр, D: 35.00
Высота / Ширина, h(B): 15.9
Остаток: 0
Бренд: INA
--
----
Вы недавно смотрели


