US203-11G2
Подшипник US203-11G2
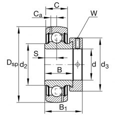
Внутренний диаметр, d: 17.46
Внешний диаметр, D: 40.00
Высота / Ширина, h(B): 22
Остаток: 0
Бренд: SNR
--
----
Вы недавно смотрели

