JEL202-010D1W3
Подшипник JEL202-010D1W3
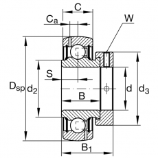
Внутренний диаметр, d: 15.88
Внешний диаметр, D: 40.00
Высота / Ширина, h(B): 28.6
Остаток: 0
Бренд: NTN
--
----
Вы недавно смотрели




