JEL201-008D1W3
Подшипник JEL201-008D1W3
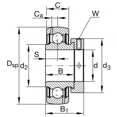
Внутренний диаметр, d: 12.70
Внешний диаметр, D: 40.00
Высота / Ширина, h(B): 28.6
Остаток: 0
Бренд: NTN
--
----
Вы недавно смотрели


