N910105016006
Болт N910105016006
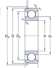
Внутренний диаметр, d: 0.00
Внешний диаметр, D: 0.00
Высота / Ширина, h(B): 0
Остаток: 0
Бренд: MERCEDES-BENZ
--
----
Вы недавно смотрели

