MR410948
Подшипник MR410948
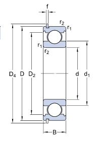
Внутренний диаметр, d: 58.00
Внешний диаметр, D: 100.00
Высота / Ширина, h(B): 21
Остаток: 0
Бренд: MITSUBISHI
--
----
Вы недавно смотрели

