90363-50005
Подшипник 90363-50005
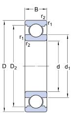
Внутренний диаметр, d: 50.00
Внешний диаметр, D: 80.00
Высота / Ширина, h(B): 16
Остаток: 0
Бренд: TOYOTA
--
----
Вы недавно смотрели

